REMFORM® 镀锌螺钉,沉头,TORX® 槽型

最高效的解决方案,适用于机械性能要求较高的塑料组件

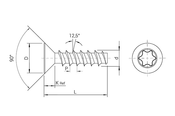
REMFORM® 镀锌螺钉,沉头,TORX® 槽型
REMFORM® 镀锌螺钉,沉头,TORX® 槽型

产品简介

REMFORM® 自攻螺钉提供更耐用、更安全和符合人体工学性能的组装,同时大幅减少组装成本。

REMFORM®螺钉的主要特色是采用独有的不对称螺纹形状,它的优势包括:减少塑料件的径向变形,从而降低BOSS柱开裂风险。 极低的攻牙扭矩,实现符合人体工学性能的装配。 强大的拉拔阻力。 卓越的防振动与松脱性能。

除了上述参考规格,我们还能生产定制化螺钉,以满足您的具体要求。

获取样品
E-shop
CAD 3D下载
获取报价

规格型号清单

筛选
螺钉直径 (mm)
3.0
3.5
4.0
关闭
螺钉长度 (mm)
6
8
12
16
10
关闭
头径 D (mm)
5.50
6.50
7.00
关闭
槽型
TORX® T10
TORX® T15
TORX® T20
关闭
规格型号
36RF82T
38RF82T
312RF82T
316RF82T
3510RF82T
3512RF82T
412RF82T
416RF82T
螺钉直径 (mm)
3.0
3.0
3.0
3.0
3.5
3.5
4.0
4.0
螺钉长度 (mm)
6
8
12
16
10
12
12
16
头径 D (mm)
5.50
5.50
5.50
5.50
6.50
6.50
7.00
7.00
槽型
TORX® T10
TORX® T10
TORX® T10
TORX® T10
TORX® T15
TORX® T15
TORX® T20
TORX® T20
8 / 8 规格型号显示

底孔参数设计指导

为了确保组装的安全和夹紧力的稳定,需要注意Boss柱设计。 设计指导中提供底孔孔径和啮合长度的尺寸建议。 转至设计指导
https://www.celofasteners.cn/img/cms/category-products/plastic/boss-design-plastic.jpg

应用

REMFORM®在以下应用需求中推荐使用: 装配扭矩高,无论是硬塑料还是啮合长度较长的应用。 夹紧力高。 拉拔阻力大。 抗振动松脱性能要求高。
https://www.celofasteners.cn/img/cms/products/remform-screw-application.jpg

需要了解此产品的更多信息吗?

了解更多