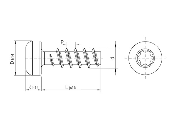
CELOspArk® 镀锌螺钉,盘头,TORX PLUS® 槽型

用于直接装配塑性塑料的最佳方案

CELOspArk® 镀锌螺钉,盘头,TORX PLUS® 槽型
CELOspArk® 镀锌螺钉,盘头,TORX PLUS® 槽型

产品简介

CELOspArk® 改进的30°螺纹设计,解决了Boss柱破裂问题,为塑性塑料提供更安全的装配。

降低螺纹成型扭矩,让装配更符合人体工学性能,并增加了拉拔阻力、振动与松脱阻力。

除了参考可用的库存,我们也生产不同尺寸和涂层的定制螺钉

获取样品
E-shop
CAD 3D下载
获取报价

规格型号清单

筛选
螺钉直径 (mm)
1.8
2.0
2.5
关闭
螺钉长度 (mm)
6
8
关闭
头径 D (mm)
3.20
3.40
4.30
关闭
槽型
TORX PLUS® 5 IP
TORX PLUS® 6 IP
TORX PLUS® 8 IP
关闭
规格型号
186SP81P
28SP81P
26SP81P
258SP81P
螺钉直径 (mm)
1.8
2.0
2.0
2.5
螺钉长度 (mm)
6
8
6
8
头径 D (mm)
3.20
3.40
3.40
4.30
槽型
TORX PLUS® 5 IP
TORX PLUS® 6 IP
TORX PLUS® 6 IP
TORX PLUS® 8 IP
4 / 4 规格型号显示

底孔参数设计指导

为了确保组装的安全和夹紧力的稳定,需要注意Boss柱设计。 设计指导中提供底孔孔径和啮合长度的尺寸建议。 转至设计指导
https://www.celofasteners.cn/img/cms/category-products/plastic/boss-design-plastic.jpg

应用

建议使用CELOspArk® 螺钉组装性塑料。 CELOspArk® 螺钉的设计满足许多电气材料、电子产品及汽车制造业的标准(例如VW 603 62)。
https://www.celofasteners.cn/img/cms/products/celospark-screw-application.jpg

需要了解此产品的更多信息吗?

了解更多